詳細な仕様、設置のための寸法を確認できますか(TS-HTGL/R5)
Q
詳細な仕様、設置のための寸法を確認できますか(TS-HTGL/R5)
A
1.TS-HTGL/R5シリーズの情報は以下をクリックして確認してください。
2.TS-HTGL/R5シリーズの対応機器は以下をクリックして確認してください。
3.上記に記載のない詳細情報は下の表を参照してください。
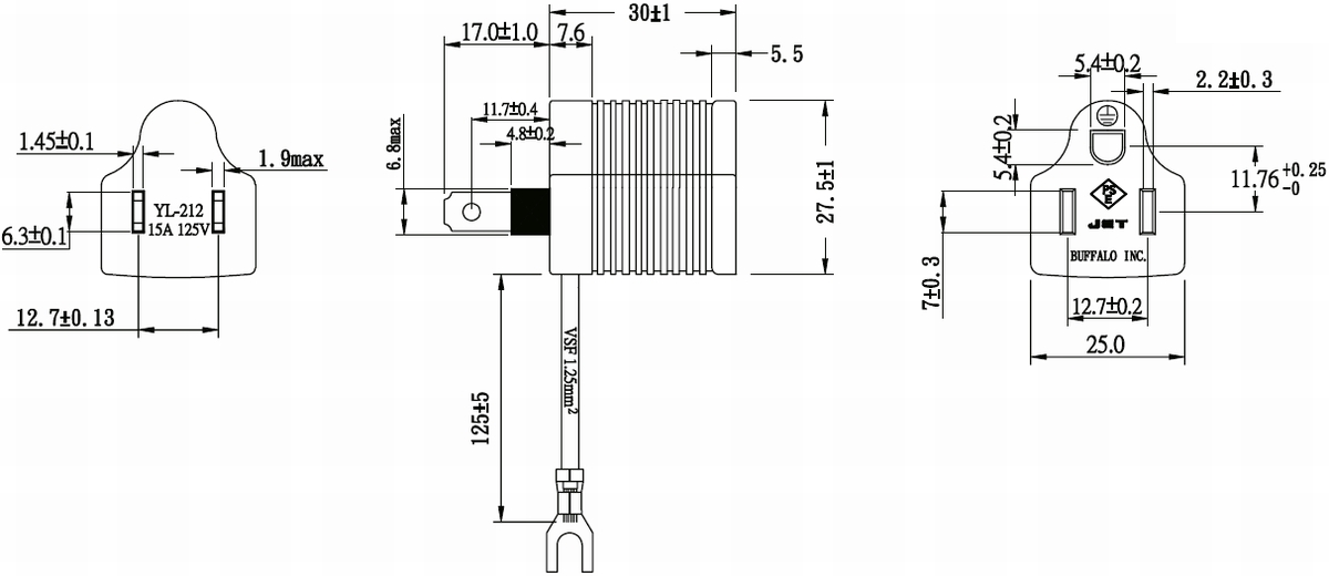
工事図面
画像をクリックすると拡大表示されます。
本体
ACケーブル
3極-2極変換アダプター
ACケーブル、3極-2極変換アダプターは都合により同等品で代用することがあり、形状が本図面と僅かに異なる場合がありますので、ご了承ください。
許容電源範囲
AC90V~AC110V
消費電力
平均
57W
最大
86W
対応OS(クライアントパソコン、ドメインコントローラー)
OS
Linuxベースの独自OS
文字コード
UTF-8(中国語などUnicodeの文字に対応)
内蔵ハードディスク フォーマット作成
XFS
外付けUSBハードディスク フォーマット形式
EXT3、XFS、FAT32※2、NTFS※3※4
RAID構成方式
ソフトウェアRAID
ハードディスク使用モード
RAID5、RAID10、RAID1、RAID0、通常モード
(商品出荷時:ハードディスク4台でRAID5構成)
転送速度(測定値)
Read 38MB/s
測定方法
テラステーション プロ(TS-H1.0TGL/R5)をパソコンとLAN接続し、ベンチマークソフト(CrystalMark Ver.0.9.121、test size:1024MB)にてシーケンシャルリードを計測。(2006年11月当社調べ)
測定環境
PC:eMachines J4422(OS:WindowsXP、CPU:Pentium4 540、メモリ:1024MB、LAN:Intel PRO1000GT、JumboFrameオフ)
3台同時アクセス時合計転送速度(測定値)
22.5MB/s
測定方法
各商品をパソコン3台とLAN接続し、ベンチマークソフト(Iometer-2006.07.27)にてシーケンシャルリードを計測。(2009年12月16日当社調べ)
同時接続台数
推奨
8台
最大
45000台
最大共有フォルダー数
400
(共有フォルダー内のサブフォルダー数、ディレクトリー数:制限なし)
最大ユーザー数/最大グループ数
ユーザー
300
グループ
300
ActiveDirectory/NTドメインログオン環境の最大ユーザー数/最大グループ数
ユーザー
1000
グループ
1000
保障期間
購入日から1年間
取得規格
VCCI Class A
RoHS指令準拠
適合
リチウム電池
未使用
電気用品安全法
本体
非該当
ACケーブル、3極-2極変換アダプター
PSEマーク取得
薬事法
非該当
グリーン購入法
適合
※1. 32bit/64bit両対応
※2. 読取専用、ただし商品のバックアップ機能での書き込みは可能
※3. 商品の設定画面でフォーマットできません。パソコンでフォーマットしてください。
※4. 読取専用
このご質問の対象となる商品・OS・接続機器を表示
商品
OS・接続機器
チャット・LINEでのサポートについて
下記商品はチャット・LINEでのサポート対象外のため、電話またはメールにてお問合せいただきますようお願いいたします。
法人様向けネットワーク商品
ネットワーク対応ハードディスク(TeraStation)
<注意事項>
以下のいずれかに該当する場合、お客様の同意なくチャット・LINEでのサポートを終了させていただく場合がございます。ご了承ください。
同一のお客様から同一内容のお問合せ等の入力が複数あった場合
本サービスに関係のない画像・動画・スタンプ等が送信された場合
一定時間以上お客様からの返信がされない場合
営業時間
<オペレーター受付時間>
月~土・祝 9:30~21:00
日 9:30~17:30
※AIによる自動応答は24時間ご利用いただけます。
メールで相談について
個人向けWi-Fi/有線LAN製品、ストレージ製品のお客様にはメールで問い合わせいただく前にAIが問題解決のお手伝いを行います。
いずれかを選択して進んでください。
Wi-Fi(無線LAN)
有線LAN
HDD(ハードディスク)・NAS
SSD
ブルーレイ/DVD/CDドライブ
メモリー
USBメモリー
メモリーカード・カードリーダー/ライター
映像/音響機器
ケーブル
マウス・キーボード・入力機器
Webカメラ・ヘッドセット
スマートフォンアクセサリー
タブレットアクセサリー
電源関連用品
アクセサリー・収納
テレビアクセサリー
その他周辺機器
法人向けWi-Fi(無線LAN)
法人向け有線LAN
法人向けルーター
法人向けNAS・HDD
SSD
ブルーレイ/DVD/CDドライブ
法人向けメモリー・組込み/OEM
法人向けUSBメモリー
メモリーカード・カードリーダー/ライター
映像/音響機器
法人向け液晶ディスプレイ
法人向けケーブル
法人向けマウス・キーボード・入力機器
法人向けヘッドセット
法人向けスマートフォンアクセサリー
法人向けタブレットアクセサリー
法人向け電源関連用品
法人向けアクセサリー・収納
テレビアクセサリー
オフィスサプライ
その他周辺機器
データ消去